Sponsored

Adding aftermarket sub to B&O unleashed

flynavy

Well-known member
Joined
May 28, 2021
Threads
5
Messages
202
Reaction score
72
Location
Midwest
Vehicles
2018 XLT
Occupation
Pilot
You will like that setup. In my truck I have navtv zen a2b unit toslink into an audio control DM-810 DSP. I have 3 amps in my truck. I have an audio control d6.1200 powering focal K2 power components 2 way for the first 4 channels and the other 2 channel going to some focal utopia 3.5”wm in the dash on each side. The second amp is an audio control ACM 4.300 bridged power k2 power coaxial speaker in the rear. And the final amp is audio control LC1.800 power a JL audio dual 12” stealthbox. All this with my doors and cab sound treated. Right now I am loving the clean, crisp sound.
How did you pull a signal for front speakers and tweeters? On my 18 I used the for-ck harness so it was plug and play.
Sponsored

 
OP
OP

Ceems

Member
First Name
Cameron
Joined
Apr 30, 2021
Threads
1
Messages
5
Reaction score
1
Location
Ontario
Vehicles
2021 F150 XLT 302a
Occupation
Energy
Well I got the stealth box installed and although I’ll have to break them in, initial impressions are fantastic. Expensive but it’s clean and sounds incredible. Mounted the knob beside the parking brake and I think it looks pretty good and is out of the way.
Ford F-150 Lightning Adding aftermarket sub to B&O unleashed 780325F8-50B0-4B81-9851-6142CC833217
Ford F-150 Lightning Adding aftermarket sub to B&O unleashed A701FE26-E386-4FF1-A86E-F816951C14FC

Ford F-150 Lightning Adding aftermarket sub to B&O unleashed BEFD171D-C67F-48EC-9F72-4C3C30E595B7
 

mightymouse43

Member
Joined
Jul 6, 2021
Threads
1
Messages
14
Reaction score
1
Location
WA
Vehicles
2021 F-150 Tremor On Order
Well I got the stealth box installed and although I’ll have to break them in, initial impressions are fantastic. Expensive but it’s clean and sounds incredible. Mounted the knob beside the parking brake and I think it looks pretty good and is out of the way.
Do you have the inverter under your seat? I am interested in the stealth box and have the 2kw package.
 

TremOX

Member
Joined
Dec 2, 2021
Threads
0
Messages
13
Reaction score
2
Location
Ontario, Canada
Vehicles
2021 Tremor, 402, Oxford White
Bump for any updates in terms of where (or how) to tap rear sub/speaker channels. Do we know if there is roll off in those sub channels with volume?

Planning on installing a Kicker key 500.1 sub amp, and a JL 8" slot ported Microsub from previous vehicles.

Anyone have pics of their wiring, a schematic, etc? I haven't removed that seat yet, but hoping someone has and can share

Can we pull power from the inverter area (factory distribution block perhaps?).

24 hours into ownership and thinking upgrade already lol. While I don't mind the bass response (better than average for OEM), the mid/treble (center channel in particular) is over powering to my ears so hoping to balance it out. I prefer basic stereo sound, but it does sound better in surround, so perhaps we can attenuate the center somehow and knock it down a few db's, or I am going to keep a hat/gloves on it
 
OP
OP

Ceems

Member
First Name
Cameron
Joined
Apr 30, 2021
Threads
1
Messages
5
Reaction score
1
Location
Ontario
Vehicles
2021 F150 XLT 302a
Occupation
Energy
Bump for any updates in terms of where (or how) to tap rear sub/speaker channels. Do we know if there is roll off in those sub channels with volume?

Planning on installing a Kicker key 500.1 sub amp, and a JL 8" slot ported Microsub from previous vehicles.

Anyone have pics of their wiring, a schematic, etc? I haven't removed that seat yet, but hoping someone has and can share

Can we pull power from the inverter area (factory distribution block perhaps?).

24 hours into ownership and thinking upgrade already lol. While I don't mind the bass response (better than average for OEM), the mid/treble (center channel in particular) is over powering to my ears so hoping to balance it out. I prefer basic stereo sound, but it does sound better in surround, so perhaps we can attenuate the center somehow and knock it down a few db's, or I am going to keep a hat/gloves on it
I just ran the power cable directly from the battery to the rear myself so can’t speak to pulling off the inverter under the passenger side rear seat.

In terms of tapping into the sub channel I merely cut the connector off the factory sub and put the cables into a JL LOC 22 and then out to the 1000 watt amp then to the 2x12 stealth box. There is audio roll off on the bass channel still throughthe B&O processor when the volume is up so the additional gain knob helps to counteract that when necessary.
With the addition of the subs and balancing the sound settings out I’ve come to quite enjoy the system! No hat or gloves required on the Center channel and I do keep it in ‘surround’ as I agree it sounds better.
 
Last edited:

Sponsored

TremOX

Member
Joined
Dec 2, 2021
Threads
0
Messages
13
Reaction score
2
Location
Ontario, Canada
Vehicles
2021 Tremor, 402, Oxford White
I just ran the power cable directly from the battery to the rear myself so can’t speak to pulling off the inverter under the passenger side rear seat.

In terms of tapping into the sub channel I merely cut the connector off the factory sub and put the cables into a JL LOC 22 and then out to the 1000 watt amp then to the 2x12 stealth box. There is audio roll off on the bass channel still throughthe B&O processor when the volume is up so the additional gain knob helps to counteract that when necessary.
With the addition of the subs and balancing the sound settings out I’ve come to quite enjoy the system! No hat or gloves required on the Center channel and I do keep it in ‘surround’ as I agree it sounds better.
Much appreciated, do you recall which channels were pos/neg on the sub?
 

Zyvin

Well-known member
Joined
Jan 27, 2021
Threads
5
Messages
392
Reaction score
212
Location
SC
Vehicles
2021 F150 Crew, FX4, Lariat
Much appreciated, do you recall which channels were pos/neg on the sub?
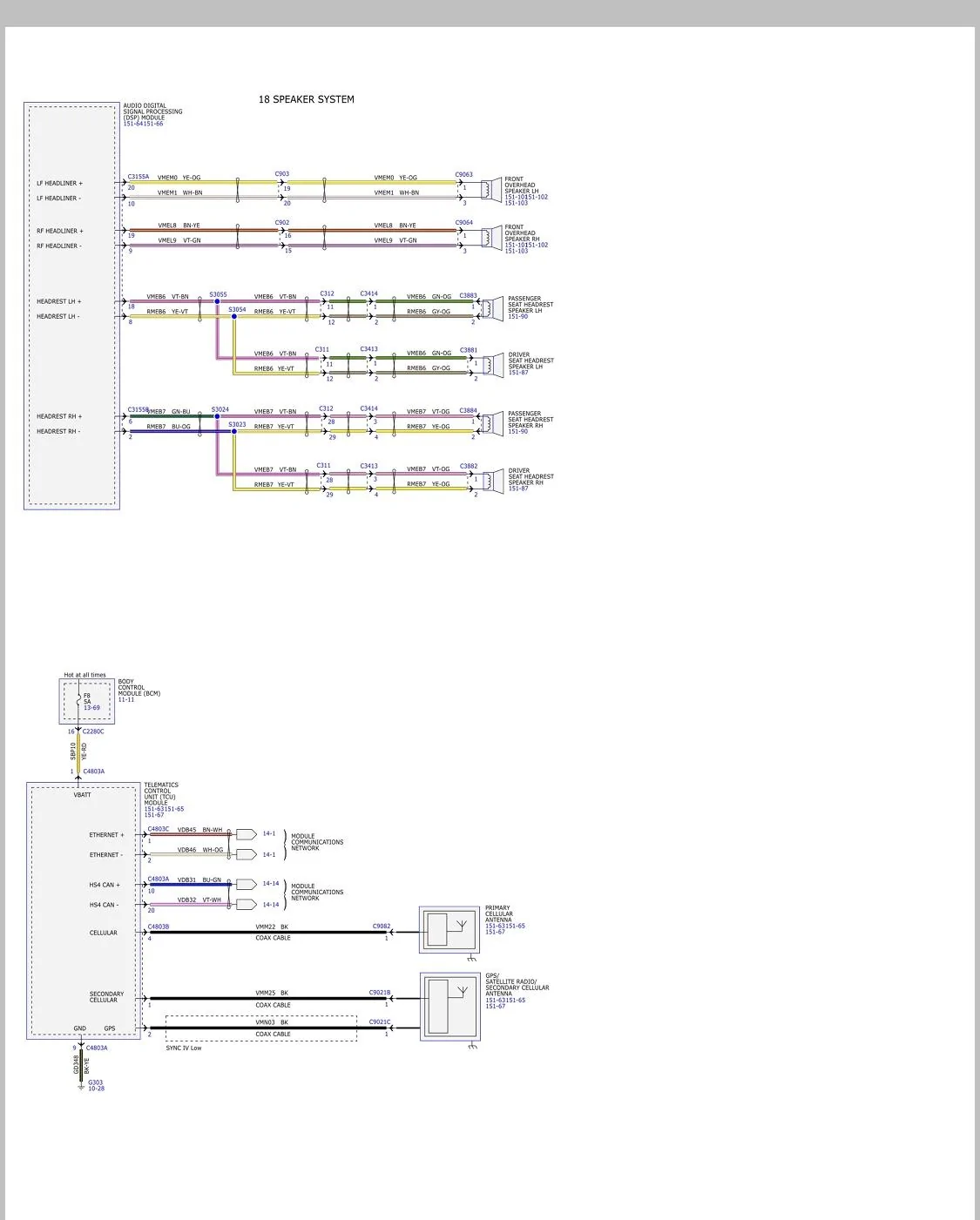
interesting that the tweeters and rear doors are powered by the acm, and the rest by the dsp in the 18 speaker system.
Ford F-150 Lightning Adding aftermarket sub to B&O unleashed 0DDD1451-6D61-4808-A6F3-BC168CF6734C
Ford F-150 Lightning Adding aftermarket sub to B&O unleashed 8287C070-A93D-4764-87F1-4D03BC292B71
 

westonb23

Member
First Name
Weston
Joined
Dec 25, 2021
Threads
0
Messages
20
Reaction score
2
Location
Merced CA
Vehicles
2022 F150 Tremor
Occupation
Automotive Service Director-Ford-FCA-Nissan
So has anyone tried pulling power off the inverter?
 

williams

Well-known member
First Name
William
Joined
Oct 29, 2021
Threads
0
Messages
160
Reaction score
52
Location
Tampa FL
Vehicles
2021 Powerboost F-150
Occupation
Ford Sales
You will like that setup. In my truck I have navtv zen a2b unit toslink into an audio control DM-810 DSP. I have 3 amps in my truck. I have an audio control d6.1200 powering focal K2 power components 2 way for the first 4 channels and the other 2 channel going to some focal utopia 3.5”wm in the dash on each side. The second amp is an audio control ACM 4.300 bridged power k2 power coaxial speaker in the rear. And the final amp is audio control LC1.800 power a JL audio dual 12” stealthbox. All this with my doors and cab sound treated. Right now I am loving the clean, crisp sound.
You didnt happen to get it done in Clearwater FL did you?
Sponsored

 
 







Top