Sponsored

Retrofit Intelligent Access Door Handles - 2022 Lightning XLT

Blochead21

Well-known member
Joined
Oct 25, 2022
Threads
9
Messages
496
Reaction score
530
Location
PA
Vehicles
Black 22 XLT 311pkg
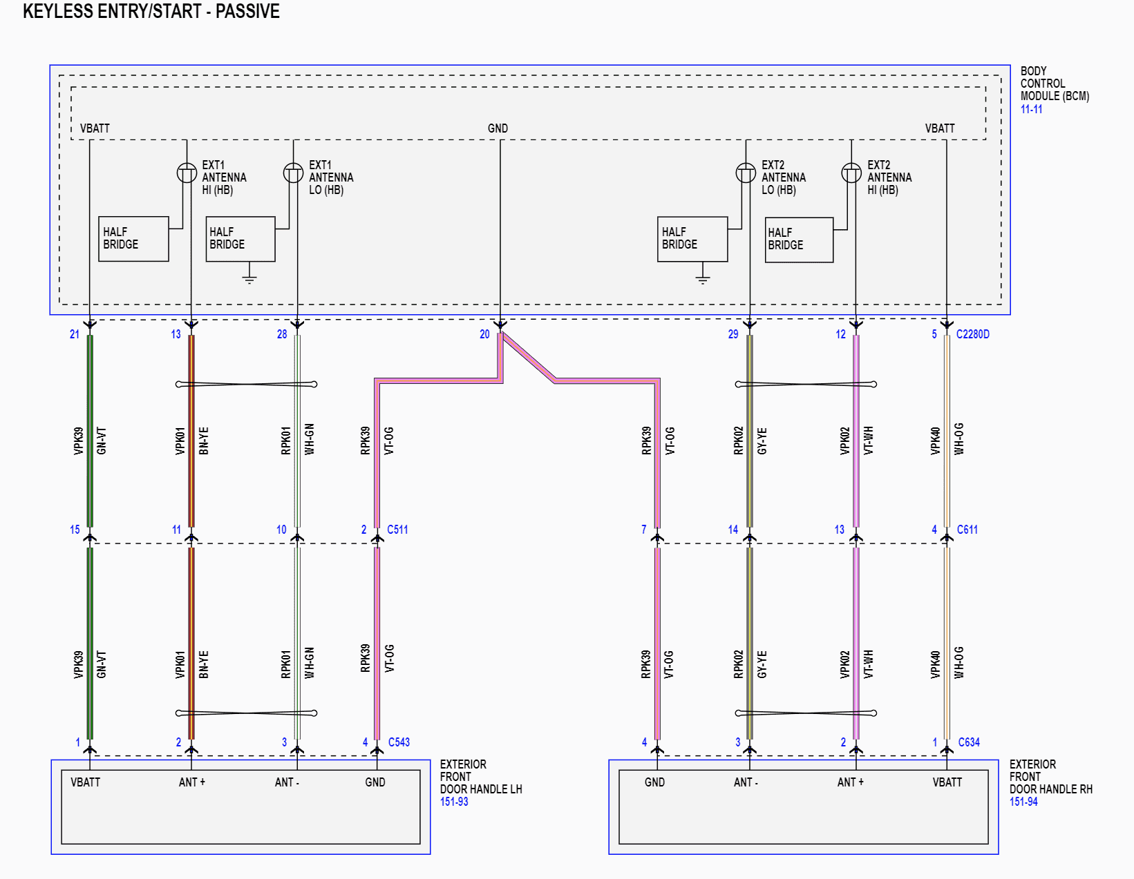
I was talking to Jesse about this and he said to check for the presence of wiring at the BCM in plug 2280D for the below pins. Which at least on my XLT it has them. He said from this point the harness plug in the door may be there. But that we would need to swap the exterior door handles (exterior and interior bracket portions) as well as the modules and potentially a harness. He said the internal bracket was a pain to swap when he did it. But the rest seems to be on us to figure out and someone willing to try it.

Ford F-150 Lightning Retrofit Intelligent Access Door Handles - 2022 Lightning XLT 7F3759B1-0D7C-4296-A7F8-9A9487BEA05C
Ford F-150 Lightning Retrofit Intelligent Access Door Handles - 2022 Lightning XLT 82D64113-27FD-44E0-81D9-6F6B6F3557CD
Sponsored

 

GarageMahal

Well-known member
First Name
JT
Joined
Jun 3, 2021
Threads
26
Messages
683
Reaction score
769
Location
Minnesota
Vehicles
2023 Lightning XLT SR - Iconic Silver
Occupation
Data Wrangler
While I miss this feature and would love to add it, I have gotten really good at using the keypad quickly :) The key fob never leaves my pocket anymore.
 

Sponsored

Driver8

Well-known member
Joined
Aug 10, 2022
Threads
1
Messages
163
Reaction score
143
Location
Here.
Vehicles
F-150 Lightning
... we would need to swap the exterior door handles (exterior and interior bracket portions) as well as the modules and potentially a harness. He said the internal bracket was a pain to swap when he did it. But the rest seems to be on us to figure out and someone willing to try it.
So it looks like the interior bracket part might be ML3Z-1526684-K for the right. Left might be ML3Z-1526685-R. But I have not confirmed with a parts dealer.

Anyone figure out the part number for the RFA?
 

nauticalx

Active member
Joined
Feb 17, 2023
Threads
7
Messages
25
Reaction score
4
Location
USA
Vehicles
f150
for those of you that have this feature, to open a locked truck, do you have to press the button on the handle first then pull, or does the handle sense your hand and unlock when pulled?
 

Pioneer74

Well-known member
Joined
Aug 16, 2021
Threads
38
Messages
3,808
Reaction score
6,955
Location
Dearborn
Vehicles
2022 Lightning Lariat ER - 2025 Mach-E Premium ER
Occupation
Electrician
for those of you that have this feature, to open a locked truck, do you have to press the button on the handle first then pull, or does the handle sense your hand and unlock when pulled?
It detects when you put your hand inside the handle and unlocks. The black "button" in the outside really isn't a button. It's touch sensitive and only used to lock the truck.
 

Sponsored

Driver8

Well-known member
Joined
Aug 10, 2022
Threads
1
Messages
163
Reaction score
143
Location
Here.
Vehicles
F-150 Lightning

BennyTheBeaver

Well-known member
Joined
Jun 18, 2021
Threads
45
Messages
2,243
Reaction score
2,457
Location
PNW
Vehicles
2023 Lightning XLT ER
@BennyTheBeaver, saw you did your speakers and SecuriCode install. Were you able to confirm if the connector photographed by @biers looked like it was for the intelligent access door handles?
So that specific connector actually looks exactly like what I used to plug in the SecuriCode plug. I didn't see any other "dummy" plugs in the door panel.
 

UpWithFilm

Well-known member
Joined
Feb 1, 2023
Threads
4
Messages
81
Reaction score
77
Location
Ohio
Vehicles
'22 Kia Niro Ev, '23 Avalanche Lightning XLT
I just picked up my Lightning XLT yesterday, and coming from a Ford that had the intelligent access handles I can say that I'm already missing them.

Has there been any movement on this? Anyone have any luck retrofitting?
 

jdmackes

Well-known member
First Name
John
Joined
Feb 9, 2023
Threads
12
Messages
485
Reaction score
345
Location
Maryland
Vehicles
2023 F-150 Lightning Pro
I'd be interested in this as well, as it's a feature I really like on my wife's car. I can deal with the door keypad, but if it was cheap enough to add this I'd jump at it.
 
 







Top