Sponsored

ED_C

Member
First Name
Ed
Joined
Aug 31, 2024
Threads
1
Messages
18
Reaction score
8
Location
North Vancouver
Vehicles
Tesla S, Tesla s, Ford lightning 150
Occupation
retired
Wondering.... Could I change the pedestrian warning sounds?

I picked up a spare to play with via ebay.... This is located under the glove box.

IMG_9006.jpg


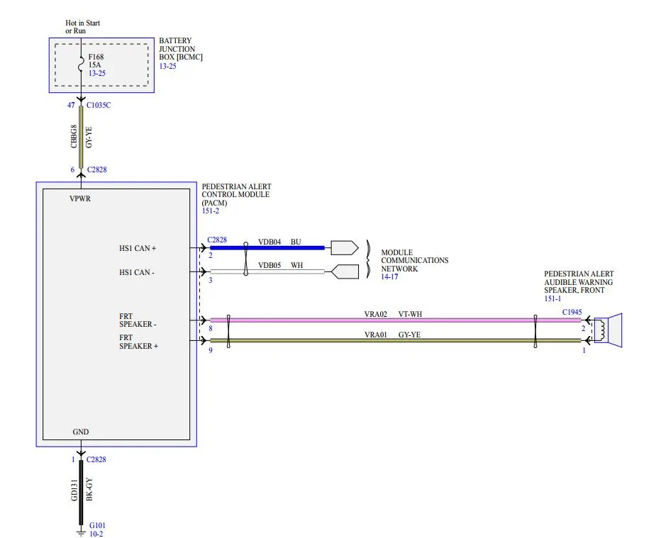
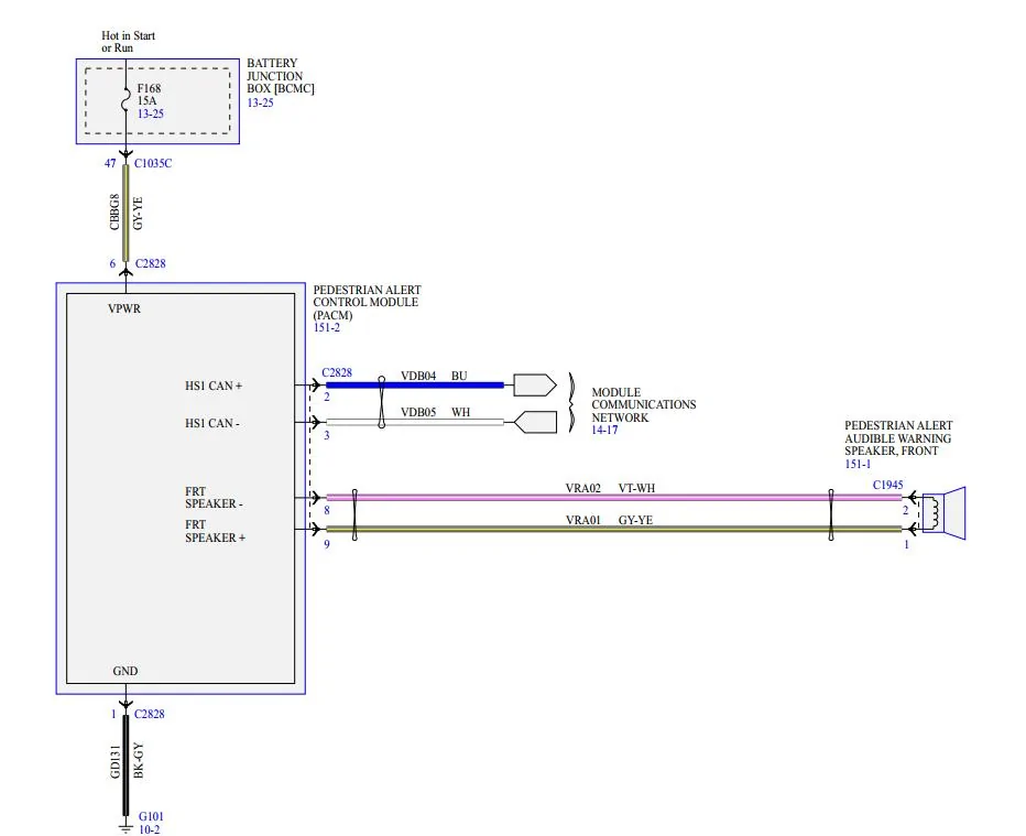
Pretty simple device, 6 wires in and out. Power, Ground, CANBUS high and low and a speaker.

Circuit_Diagram.jpg


Connector.jpg


Cracked it open and identified the chips..

ARM processor, Amp chip on one side:

Top.jpg


Op Amp, Line Driver and Flash memory on the bottom.

Bottom.jpg


Dumped the Flash chip and low and behold... Our truck sounds.

Interestingly how they did it...

The Left Channel is the running sound.

While the Right Channel is the backup sound.

waveform.jpg


Which sounds like this:
(Couldn't upload audio files here.... so converted them to blank videos).

Backing up (Left Channel)



Driving (Right Channel)

 

SmoothJ

Well-known member
First Name
John
Joined
Dec 22, 2021
Threads
77
Messages
1,233
Reaction score
957
Location
New Jersey
Vehicles
2022 F150 Lightning
You could get rich by locating and disabling all of the goofy noises / sounds mytruck make. silence is golden.
Since the sounds are on the chip, if you can just re-flash the chip to make them blank (to not cause errors) or something else might be better.
 

NW Ontario Ford Lightning

Well-known member
First Name
Robert
Joined
Feb 14, 2025
Threads
1
Messages
618
Reaction score
849
Location
NW Ontario Canada
Vehicles
2024 F-150 SR Lightning XLT, 2023 Escape Hybrid
Occupation
Contractor
If we can reprogram it, maybe get "ED-209" to voice a warning - "Step away from the Lightning...you have 20 seconds to comply"
 

Sponsored

SmoothJ

Well-known member
First Name
John
Joined
Dec 22, 2021
Threads
77
Messages
1,233
Reaction score
957
Location
New Jersey
Vehicles
2022 F150 Lightning

bananaslug79

Well-known member
First Name
Samas
Joined
Oct 29, 2023
Threads
4
Messages
85
Reaction score
93
Location
17502
Vehicles
"Sparky" 2022 F-150 Lightning Lariat SR
Occupation
Self employed
Love the nerds here

Regarding "changing" these sounds, wouldn't there be some kind of failsafe built in to prevent that? I only bring it up since it is federal law (as someone else already pointed out) to have minimum sound levels on hybrid & electric vehicles.

Not that it is a simple feat to even get here (as evidenced by the High Level of Nerd) but if it was as "easy" as reprogramming, copying files, etc. what would prevent someone from putting dead silence in here and technically break the law?

I dig the discussion!
 
OP
OP
daczone

daczone

Well-known member
First Name
Dave
Joined
Mar 10, 2025
Threads
18
Messages
124
Reaction score
239
Location
Oregon
Vehicles
2024 Lightning Lariat
Love the nerds here

Regarding "changing" these sounds, wouldn't there be some kind of failsafe built in to prevent that? I only bring it up since it is federal law (as someone else already pointed out) to have minimum sound levels on hybrid & electric vehicles.

Not that it is a simple feat to even get here (as evidenced by the High Level of Nerd) but if it was as "easy" as reprogramming, copying files, etc. what would prevent someone from putting dead silence in here and technically break the law?

I dig the discussion!
I'm no lawyer, but I do believe this is where Tesla said a few years back... the Federal mandate says it needs to make noise, they didn't say what noise and thus allowed us all to change to anything we wanted (ice cream truck, running horses, applause, etc). Until there were complaints and or as it was mentioned the fun police showed up and they had to take it away. Anyway, On the Tesla you can still change the sounds, just not while the vehicle is in motion. So the Horn for example.

I'd guessing the noise for EV's is a federal mandate required by automakers, but no fun police are going to check your vehicle or issue a ticket for it. So to each their own.

As for Easy.. it's not. The Pedestrian Module has to be accessed (removed) the chip in question identified and reflashed, much like reflashing a ECU back in the day. Or hacked. Only those with the skills would be able to pull it off.

As far is going 100% silence.... EASY, Unplug the speaker! You may get a code because the device may be able to detect the absense of the speaker, but a 4 ohm resister as a dummy load could be installed in it's place. And there are companies sell them today. (Electrically a speaker is nothing more than a load coil of a set resistance, 4 ohms in this case). And yes anyone can unplug the speaker. speaker bypass
 

Sponsored

GDN

Well-known member
First Name
Greg
Joined
Feb 15, 2022
Threads
94
Messages
3,775
Reaction score
4,858
Location
Dallas, TX
Vehicles
Lightning Lariat ER, Performance Y
Occupation
IT
Love the nerds here

Regarding "changing" these sounds, wouldn't there be some kind of failsafe built in to prevent that? I only bring it up since it is federal law (as someone else already pointed out) to have minimum sound levels on hybrid & electric vehicles.

Not that it is a simple feat to even get here (as evidenced by the High Level of Nerd) but if it was as "easy" as reprogramming, copying files, etc. what would prevent someone from putting dead silence in here and technically break the law?

I dig the discussion!
You're living in the wrong age. There is nothing that you can produce that can't be hacked, changed, updated, completely removed. Let the feds go hunt each one down if they so desire.

The dead silence you speak of was already discussed in this thread and is just as easy to do as it would be to change the sound.

Ford did their due diligence to add yet another module to these trucks to adhere to a law. Now that is a nice challenge to let all the smart folk that drive these trucks to find fun ways to make modifications. No different than someone breaking the speed limit. There could be consequences, but only if you get caught or it causes some sort of accident and it was found you broke a law.
 

Firn

Well-known member
Joined
Aug 26, 2024
Threads
36
Messages
1,642
Reaction score
1,898
Location
USA
Vehicles
23 Pro ER
You're living in the wrong age. There is nothing that you can produce that can't be hacked, changed, updated, completely removed. Let the feds go hunt each one down if they so desire.

The dead silence you speak of was already discussed in this thread and is just as easy to do as it would be to change the sound.

Ford did their due diligence to add yet another module to these trucks to adhere to a law. Now that is a nice challenge to let all the smart folk that drive these trucks to find fun ways to make modifications. No different than someone breaking the speed limit. There could be consequences, but only if you get caught or it causes some sort of accident and it was found you broke a law.
Just to be the bummer of the room...since I looked it up to see if maybe it said something along the lines of "must come equipped with" but nothing else, letting us legally change it, which unfortunately is not the case.
Text from chatgpt, I have not validated the info.


The law mandating that electric and hybrid vehicles emit sounds to alert pedestrians is codified in 49 CFR § 571.141, titled Standard No. 141; Minimum Sound Requirements for Hybrid and Electric Vehicles. This regulation was established under the authority of the Pedestrian Safety Enhancement Act of 2010 and is enforced by the National Highway Traffic Safety Administration (NHTSA).

Key Provisions:

Applicability: The standard applies to electric and hybrid vehicles with a gross vehicle weight rating (GVWR) of 4,536 kg (10,000 pounds) or less, including passenger cars, multipurpose passenger vehicles, trucks, buses, and low-speed vehicles.

Sound Emission Requirements: Vehicles must emit a pedestrian alert sound when stationary and during operation at speeds up to 30 km/h (approximately 18.6 mph). The sound must meet specific frequency and sound pressure level requirements across various one-third octave bands ranging from 315 Hz to 5000 Hz. For example, at a constant speed of 30 km/h, the vehicle must emit a sound with minimum A-weighted sound pressure levels as specified in Table 5 of the regulation.

Volume Variation: The emitted sound must vary in volume to reflect changes in vehicle speed, aiding pedestrians in assessing the vehicle's movement.

Uniformity: Vehicles of the same make, model, model year, body type, and trim level must emit the same pedestrian alert sound under identical operating conditions.

Tampering Prohibition: The regulation prohibits disabling, altering, replacing, or modifying the pedestrian alert sound system, except for repairs addressing malfunctions or non-compliance.

Compliance Timeline: All applicable vehicles manufactured on or after March 1, 2021, must comply with this standard.


For the complete and detailed regulatory text, you can refer to the official document here: 49 CFR § 571.141
 
OP
OP
daczone

daczone

Well-known member
First Name
Dave
Joined
Mar 10, 2025
Threads
18
Messages
124
Reaction score
239
Location
Oregon
Vehicles
2024 Lightning Lariat
Just to be the bummer of the room...since I looked it up to see if maybe it said something along the lines of "must come equipped with" but nothing else, letting us legally change it, which unfortunately is not the case.
Text from chatgpt, I have not validated the info.


The law mandating that electric and hybrid vehicles emit sounds to alert pedestrians is codified in 49 CFR § 571.141, titled Standard No. 141; Minimum Sound Requirements for Hybrid and Electric Vehicles. This regulation was established under the authority of the Pedestrian Safety Enhancement Act of 2010 and is enforced by the National Highway Traffic Safety Administration (NHTSA).

Key Provisions:

Applicability: The standard applies to electric and hybrid vehicles with a gross vehicle weight rating (GVWR) of 4,536 kg (10,000 pounds) or less, including passenger cars, multipurpose passenger vehicles, trucks, buses, and low-speed vehicles.

Sound Emission Requirements: Vehicles must emit a pedestrian alert sound when stationary and during operation at speeds up to 30 km/h (approximately 18.6 mph). The sound must meet specific frequency and sound pressure level requirements across various one-third octave bands ranging from 315 Hz to 5000 Hz. For example, at a constant speed of 30 km/h, the vehicle must emit a sound with minimum A-weighted sound pressure levels as specified in Table 5 of the regulation.

Volume Variation: The emitted sound must vary in volume to reflect changes in vehicle speed, aiding pedestrians in assessing the vehicle's movement.

Uniformity: Vehicles of the same make, model, model year, body type, and trim level must emit the same pedestrian alert sound under identical operating conditions.

Tampering Prohibition: The regulation prohibits disabling, altering, replacing, or modifying the pedestrian alert sound system, except for repairs addressing malfunctions or non-compliance.

Compliance Timeline: All applicable vehicles manufactured on or after March 1, 2021, must comply with this standard.


For the complete and detailed regulatory text, you can refer to the official document here: 49 CFR § 571.141

This would require enforcement, which is non-existent. I'm not suggesting that the system be removed or silenced, just altered in the sounds that it originally had. There is a whole topic on this here: federal-motor-vehicle-safety-standards-minimum-sound-requirements-for-hybrid-and-electric-vehicles

Ford F-150 Lightning Hacking the Pedistrian Warning System Sounds 1744858298539-oz


In our EV's we simply want to change our muffler for a more desirable noise. That should not be illegal.
 

mklcolvin

Well-known member
First Name
Mike
Joined
Dec 15, 2021
Threads
2
Messages
98
Reaction score
90
Location
Louisiana
Vehicles
2022 Lightning Lariat LR, 2023 Hyundai Ioniq 6 SEL LR, 2011 Honda Insight
Occupation
Retired; Former Systems Engineer
I always thought it should sound like KITT from Knight Rider if we could just get the light bar to move back-and-forth!
I would love that SO much!
Sponsored

 
 







Top